ページの本文へ
高機能製品事業
LANG
コーポレートサイト
LANGUAGE
お問い合わせ
アプリケーション・用途から探す
アプリケーション・用途から探す
VIEW MORE
半導体
xEV
製品ラインアップ
製品ラインアップ
VIEW MORE
シリコン加工品
金錫(AuSn)合金ペースト
薄膜形成剤
低α(アルファ)線はんだ材
サーミスタ素子
サーミスタ温度センサ
サージアブソーバ
フッ素製品
無機導電性材料
絶縁性黒色顔料
熱線カット材料
柱状晶シリコン
一般化成品
シール製品
ソリューション・ナレッジ
ソリューション・ナレッジ
VIEW MORE
金錫(AuSn)合金ペーストの特性
低α線めっき液の特性
NTCサーミスタの基本特性
NTCサーミスタの使用例
チップサーミスタの出力特性シミュレータ
サージアブソーバの基本特性
サージアブソーバの使用例
サージ対策ソリューション
事業所情報
製品カタログ
お問い合わせ
重要なお知らせ
個人情報の取り扱い
サイトご利用にあたって
サイトマップ
コーポレートサイト
© 2024 Mitsubishi Materials Corporation
ホーム
コンテンツ開始
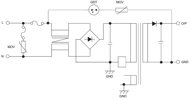
AC アダプタ
サージアブソーバ
3相電源を使用する機器
電話回線/ADSL
推奨部品
放電管
バリスタ
表面実装タイプ
CDA70-272M
470V〜
リードタイプ
FA55-272 , DA53-272M
3相電源を使用する機器
電話回線/ADSL
AC耐圧試験を必要とする電源
共振対策
車載
3相電源を使用する機器
AC アダプタ
電話回線/ADSL
モデム回路(FAX,KTS,PBX)
センサー及びデータライン
イーサネット
同軸ケーブル(監視カメラ)
ブースター回路
TVアンテナ回路
太陽光発電システム
配電盤
製品カタログダウンロード
お問い合わせ