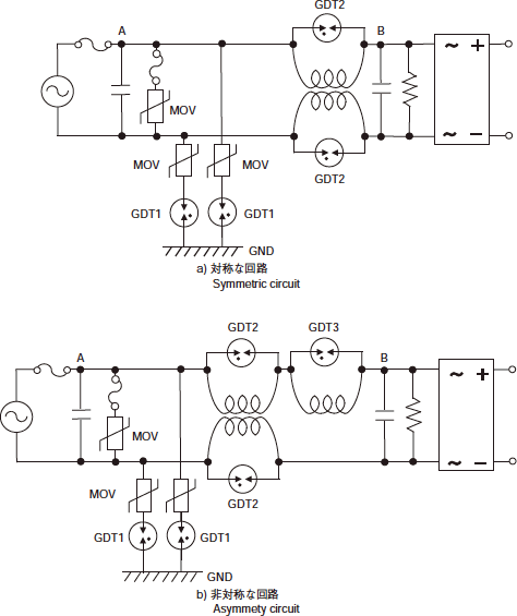
共振対策サージアブソーバ
電源にサージが侵入し、図のような電源線とグラウンド間のサージ対策回路 (A点) が機能した場合、その残留電圧が後段に伝わります。残留電圧は、ノイズフィルタやコイルのLC共振により、増幅されて後段の回路を破壊する場合があります。対策として、コモンモードコイルの前後及びコイルの両端をサージアブソーバ (GDT2、GDT3)で等電位化する方法が推奨されます。
推奨部品
| AC耐電圧試験条件 | 放電管1 | バリスタ | 放電管2 | |
|---|---|---|---|---|
| ~AC125V | Test is not required | DE37-401W | 220V~270V (φ10mm) |
CSA70-301L CSA70-401L DE37-301L DE37-401W DE37-501M DSS-301L DSS-401M |
| AC1,000V AC1,200V |
CDA70-272M FA55-272 |
|||
| ~AC250V | Test is not required | DE37-501M | 470V~680V (φ10mm) |
|
| AC1,500V | CDA70-302M FA55-302 |
|||
| AC1,800V | CDA70-362M FA55-362 |
|||
| AC2,000V | FA55-402 |

